Er zijn nog geen producten in uw winkelwagen geplaatst.
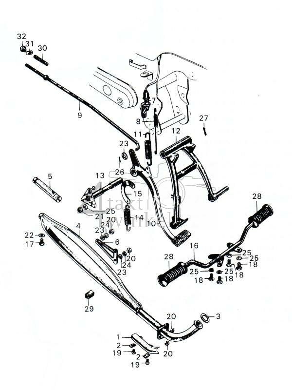
F7 - Stand - Step - Muffler
Bezig met laden...
Filter
close
Je hebt het minimaal aantal bereikt
Winkelwagen (0)Er zijn nog geen producten in uw winkelwagen geplaatst.