Een account maken is heel gemakkelijk!
Welkom
Hallo, als je inlogt kun je een wensenlijstje bijhouden, je bestellingen zien en nog veel meer!
Je hebt het minimaal aantal bereikt
Er zijn nog geen producten in uw winkelwagen geplaatst.
Product toegevoegd aan jouw offerte. Ga naar de offertepagina om jouw offerte aan te vragen. Wij nemen dan zo spoedig mogelijk contact met je op.
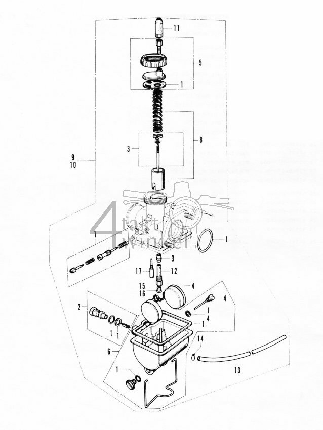
Revisie setje afdichtingen, klem carburateur, origineel Honda
Sproeier los, m5 Keihin groot, maat 70 t/m 150
Carburateur, 20mm, schuine flens, past op SS50
Benzineslang clip, B7, origineel Honda
Stelschroef rubber, SS50, CD50, C50, Novio, recht, kort, origineel Honda
Revisie setje, klembak carburateur, past op SS50, CD50
Vlotterset, SS50, CD50, voor klembak model, origineel Honda
Gasnaald set SS50 klembak, NOS, origineel Honda, NOS
Gaskabelrubber, op de carburateur
Vul hieronder je gewenste naam in.
Geef je nieuwe verlanglijst hieronder een naam.