Een account maken is heel gemakkelijk!
Welkom
Hallo, als je inlogt kun je een wensenlijstje bijhouden, je bestellingen zien en nog veel meer!
Je hebt het minimaal aantal bereikt
Er zijn nog geen producten in uw winkelwagen geplaatst.
Product toegevoegd aan jouw offerte. Ga naar de offertepagina om jouw offerte aan te vragen. Wij nemen dan zo spoedig mogelijk contact met je op.
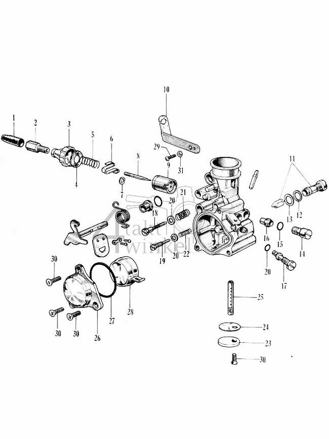
Gasnaald borgveertje C50, Dax, origineel Honda
Sproeier los, P50, maat 58, origineel Honda
Sproeier los, P50, maat 60, origineel Honda
Vlotterbakpakking, Novio, Amigo, PC50, PS50, origineel Honda, NOS
CLIP, bar, OEM HONDA
SPRING, air screw, OEM HONDA
Washer, stopper, OEM Honda
Spring, throttle, OEM Honda
Vul hieronder je gewenste naam in.
Geef je nieuwe verlanglijst hieronder een naam.