Een account maken is heel gemakkelijk!
Welkom
Hallo, als je inlogt kun je een wensenlijstje bijhouden, je bestellingen zien en nog veel meer!
Je hebt het minimaal aantal bereikt
Er zijn nog geen producten in uw winkelwagen geplaatst.
Product toegevoegd aan jouw offerte. Ga naar de offertepagina om jouw offerte aan te vragen. Wij nemen dan zo spoedig mogelijk contact met je op.
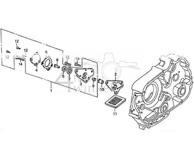
Oliefilter, past op SS50, CD50, CB50, C50, Dax, Mash
Oliepomp 180, NT carters, origineel Honda
Pakking los, oliepomp NT
Pakkingset B, onderblok, A-kwaliteit, past op SS50, C50, Dax
Pakking los, oliepomp dekseltje, origineel Honda
Oliefilter SS50, CD50, CB50, C50, Dax, Mash, origineel Honda
Bout kruiskop m6 x 16, origineel Honda
Bout kruiskop m5 x 10, origineel Honda
Pakking los, oliepomp NT, origineel honda
Oliepomp busje in oliepomp NT, origineel Honda
Oil Pump Assy, OEM HONDA
Rotor, inner, OEM HONDA
Rotor, outer, OEM HONDA
Body, oil pump, OEM Honda
Cover, oil pump, OEM Honda
Driveshaft, oil pump, OEM Honda
Vul hieronder je gewenste naam in.
Geef je nieuwe verlanglijst hieronder een naam.