Inloggen

Welkom op het B2B-platform van 4taktwinkel.

Registreer Login
  • Voor 12.00u besteld. Vandaag verzonden!
  • Scherpe B2B tarieven
  • Meer dan 5000 producten op voorraad

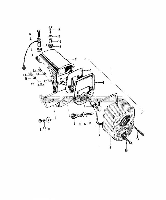
F15 - ACHTERLICHT (STD)

F15 - ACHTERLICHT (STD)
Inschuiven Uitschuiven