Er zijn nog geen producten in uw winkelwagen geplaatst.
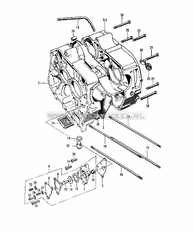
E12 - OLIEPOMP EN CARTERS
Bezig met laden...
Filter
close
Je hebt het minimaal aantal bereikt
Winkelwagen (0)Er zijn nog geen producten in uw winkelwagen geplaatst.