Een account maken is heel gemakkelijk!
Welkom
Hallo, als je inlogt kun je een wensenlijstje bijhouden, je bestellingen zien en nog veel meer!
Je hebt het minimaal aantal bereikt
Er zijn nog geen producten in uw winkelwagen geplaatst.
Product toegevoegd aan jouw offerte. Ga naar de offertepagina om jouw offerte aan te vragen. Wij nemen dan zo spoedig mogelijk contact met je op.
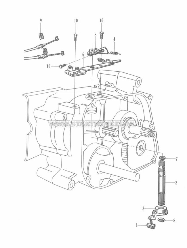
Bout zeskant, m6 x 16, sleutel 10
Schakelnokje C310, C320, NOS, origineel Honda
Bout zeskant, m6 x 16, sleutel 10, per 10 stuks
Bout zeskant, m6 x 16, sleutel 10, origineel Honda
O RING, 8.7X1.8, OEM HONDA
Shaft, Gear Shift, OEM Honda
Arm, Gear Shift, OEM Honda
Lever Change, OEM Honda
Cir Clip 11,8 mm, OEM Honda
Clip, Change Wire, OEM Honda
Vul hieronder je gewenste naam in.
Geef je nieuwe verlanglijst hieronder een naam.